Предмет: Физика,
автор: ксюша1234567
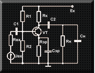
Назначение резисторов R1 и R2
a) Термостабилизация каскада
b) Положение рабочей точки каскада
c) Входное сопротивление каскада
d) Выходное сопротивление каскада
Приложения:
Ответы
Автор ответа:
0
ответ б положение рабочей точки каскада
Похожие вопросы
Предмет: Математика,
автор: Аноним
Предмет: История,
автор: george1406
Предмет: Математика,
автор: 17wer98ghj606
Предмет: Биология,
автор: androidhero