Предмет: Физика,
автор: Аноним
(4)
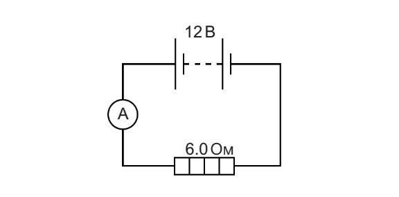
3. . На рисунке ниже показана цепь, включающая в себя источник питания с напряжением 12 В и нагреватель, имеющий сопротивление 6 Ом.
(a) Запишите, что понимается под словом «напряжение»?
...................................................................................................................................................
(b) (i) Вычислите силу тока, протекающего через нагреватель.
Сила тока = .........................................................
(ii) Запишите название частиц, протекающих через нагреватель.
.......................................................................................................................................
(iii) Укажите стрелкой рядом с нагревателем направление движение частиц, проходящих через него.
(c) Вычислите, какое количество теплоты выделится за 10 минут работы нагревателя.
Количество теплоты = .........................................................
Приложения:
Ответы
Автор ответа:
2
Ответ:
1) Величина, характеризуемая работой электрических сил при перемещении единичного электрического заряда из одной точки электрического поля в другую.
2) I=U/R=12/6=6
iii 3) Q=IUT=6*12*10= 720
BRRVTN:
лол
12:6=6 ну ты даешь, аж смеятся охото
Похожие вопросы
Предмет: Русский язык,
автор: Аноним
Предмет: Русский язык,
автор: w3557
Предмет: Английский язык,
автор: bendymix
Предмет: Английский язык,
автор: луна154