Предмет: Физика, автор: fauter02

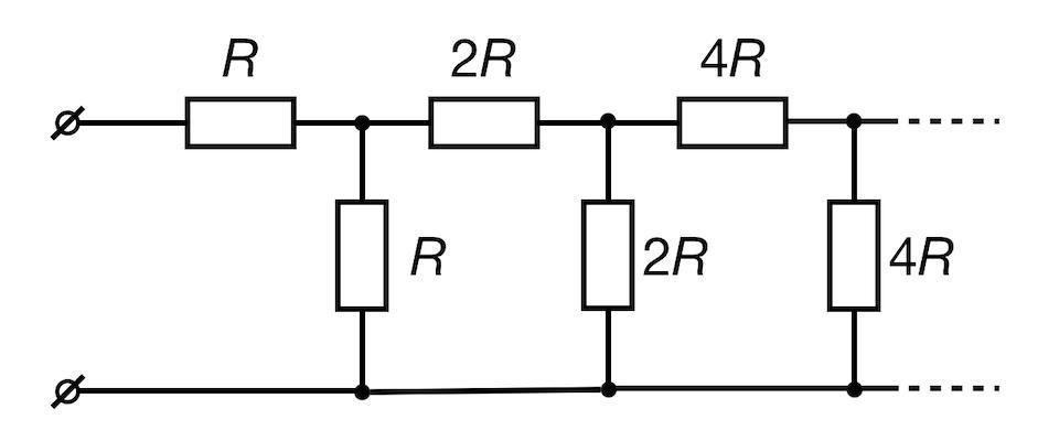
ПОМОГИТЕ С ФИЗИКОЙ, ПОЖАЛУЙСТА. Определите эквивалентное сопротивление бесконечной цепи, схема которой приведена на рисунке. R=1 Ом. Ответ выразите в омах, округлите до десятых.

Приложения:

Ответы

Автор ответа: Leon8634
10

Ответ:

1,8 Ом

Объяснение:

Заменим бесконечную часть цепи на эквивалентную (см. рисунок), при этом учтем, что при отбрасывании одного повторяющегося участка от бесконечной цепи ее общее сопротивление не изменится. Сопротивление эквивалентного участка равно удвоенному сопротивлению всей цепи (так как при удвоении каждого сопротивления в цепи, сопротивление всей цепи также удваивается). Составим уравнение:

\displaystyle R_x=R+\frac{2R_xR}{2R_x+R}

С учетом того, что R=1 Ом:

\displaystyle R_x=1+\frac{2R_x}{2R_x+1}

\displaystyle R_x(2R_x+1)=2R_x+1+2R_x

\displaystyle 2R_x^2-3R_x-1=0

Решаем получившееся квадратное уравнение:

\displaystyle D=9+4*1*2=17

Корни:

\displaystyle R_{x1}=\frac{3+\sqrt{17} }{4}\approx 1.8 Ом

Второй корень нам не подходит, так как отрицателен.

Приложения:
Похожие вопросы
Предмет: Химия, автор: виталина49