Предмет: Физика,
автор: Dan1k1337
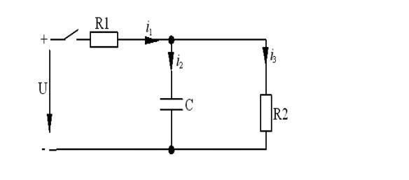
Параметры цепи (см. рисунок ) следующие: R1 = 20 Ом,
R2 = 30 Ом, C = 100 мкФ. До какого напряжения надо предварительно зарядить
конденсатор, чтобы в цепи при подключении к источнику постоянного
напряжения с U = 220 В сразу наступил установившийся режим?
Приложения:
Ответы
Автор ответа:
1
Напряжение должно быть равным напряжению на резисторе R2.
U = 220*(30/(20+30) = 220*(3/5) = 165 В.
Емкость конденсатора не имеет значения.
Похожие вопросы
Предмет: Литература,
автор: aldiarzaken573
Предмет: Алгебра,
автор: ilyhamiha2020
Предмет: Русский язык,
автор: polina55684
Предмет: Математика,
автор: edelev09072006