Предмет: Другие предметы,
автор: azotov1979e
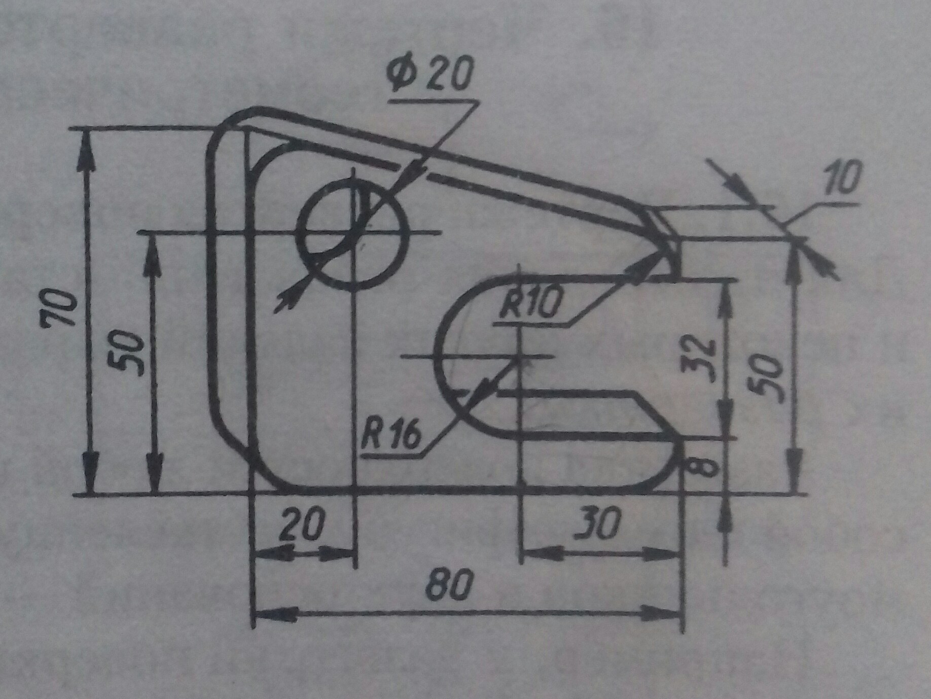
По аксонометрической проекции (рис. 137) выполните чертеж детали.
Приложения:
Ответы
Автор ответа:
48
S10 - это толщина детали
Приложения:
Похожие вопросы
Предмет: Английский язык,
автор: Polizovatell
Предмет: Английский язык,
автор: Аноним
Предмет: Алгебра,
автор: FaerVator
Предмет: Математика,
автор: safo2255yahoocom
Предмет: Химия,
автор: Киселька28