Предмет: Физика, автор: layer1632

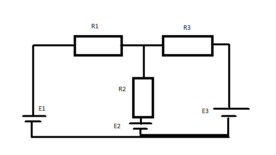
В предложенной схеме ЭДС первого элемента 2 В, второго 4 В, третьего 6 В. Сопротивление первого резистора 4 Ом, второго 6 Ом, третьего 8 Ом. Найти силу тока во всех участках цепи. Сопротивление источников не учитывать.

Приложения:

Ответы

Автор ответа: Аноним
0

по первому закону Кирхгофа в узле

I1 -I2 +I3=0

I2=I1+I3

по второму закону Кирхгофа

в первом контуре  при направлении обхода по часовой стрелке 

U1 +U2 =E1 - E2

I1*R1 +I2*R2 =E1 -E2  (1)

I1*R1 +(I1+I3)*R2 =E1 -E2

I1*R1 +I1*R2+I3*R2 =E1 -E2

I1 = (E1 -E2 -I3*R2) / (R1+R2) =(2-4-I3*6 )/(4+6)= -0,2 -0,6*I3

вj втором контуре  при направлении обхода против часовой стрелки 

U3 +U2 =E3 - E2

I3*R3 +I2*R2 =E3-E2  (2)

I3*R3 +(I1+I3)*R2 =E3-E2

I3*R3 +(-0,2 -0,6*I3+I3)*R2 =E3-E2

I3*8 +(-0,2 +0,4*I3)*6 =6-4

I3*8 -1,2 +2,4*I3 =2

10,4*I3 =2 +1,2 =3,2

I3=4/13=0,31 A

из (2)  I2 = (E3-E2 -I3*R3) / R2 = (6-4 -4/13*8) / 6 = - 1/13 = - 0,08 A

из (1)  I1 = (E1 -E2 -I2*R2) / R1 = (2 -4 -(-1/13)*6) / 4 = - 5/13 = -0,38 A

знак (-) в I1 ;I2 говорит о том, что ток I2 входит в узел , токи I1 ; I3 -выходят

в первом контуре ток идет против часовой стрелки

во втором контуре -по часовой

 

Похожие вопросы
Предмет: Биология, автор: Аноним
Предмет: Математика, автор: zheka183156