Предмет: Другие предметы, автор: Larisik045

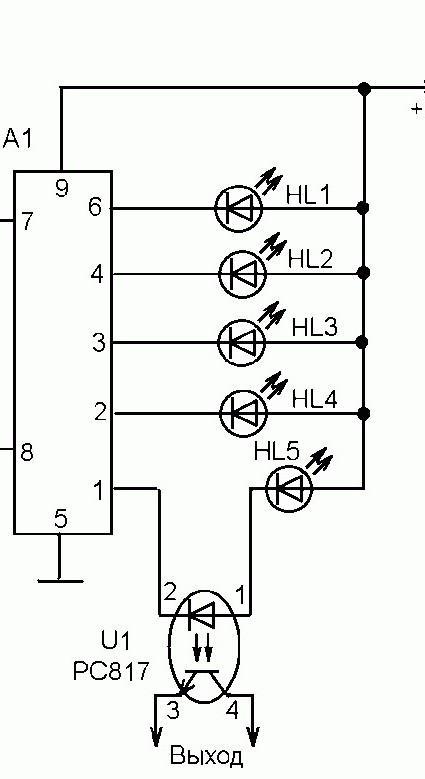
В каких случаях светодиоды необходимо подключать к выходам микросхем (микроконтроллеров) через транзисторный ключ, выполненный на биполярном транзисторе? Нарисуйте схему подключения. Объясните назначение элементов и принцип работы схемы.

Ответы

Автор ответа: yato25184
0

Объяснение:

думаю это правильно. Но вся картинка не вместился

Приложения:

Larisik045: а можно пожалуйста, ещё объяснение, как работает схема, и назначение элементов?
Похожие вопросы
Предмет: Литература, автор: daradara4517
Предмет: Геометрия, автор: Аноним
Предмет: Биология, автор: romaleeex
Предмет: Обществознание, автор: Аноним
ПОЖАЛУСТА ПОМГИТЕ С итоговый тест по обществознанию. 1 ВИРИАНТА1. Что отличает человека от животных?

· 1) воспитание потомств

· 2) способность к творчеству

· 3) объединение в группы

· 4) использование природных материалов

А2. Понимание человеком того, что он делает, как живет, о чем мечтает:

· 1) эмоции □ 3) деятельность

· 2) инстинкт □ 4) сознание

A3. Верно ли, что:

а) человек рождается как социальное существо, а развивается как биологическое;

б) каждый человек — индивидуальность?

· 1) верно только а □ 3) верны оба суждения

· 2) верно только б □ 4) оба суждения неверны

А4. Самостоятельность приносит пользу потому, что:

а) учит принимать важные решения и нести за них ответственность;

б) позволяет во всем подражать взрослым.

· 1) верно только а □ 3) верны оба суждения

· 2) верно только б □4) оба суждения неверны

А5. Индивидуальные особенности личности, условия успешного выполнения определенной деятельности:

· 1) способности □ 3) самосознание

· 2) самооценка □ 4) творчество

А6. К социальным потребностям человека относится:

□ 1) потребность в отдыхе

· 2) стремление познать окружающий мир

· 3) потребность в общении

· 4) необходимость в воде и пище

А7. Верно ли, что: а) главное предназначение семьи состоит в продолжении рода; б) семья в РФ находится под защитой государства?

· 1) верно только а

· 2) верно только б

· 3) верны оба суждения

□ 4) оба суждения неверныА8. Труд членов семьи — это:

а) финансовые ресурсы семьи;

б) материальные ресурсы семьи.

· 1) верно толькоа □ 3) верны оба суждения

· 2) верно только б □ 4) оба суждения неверны

А9. Длительное увлечение человека чем-либо в свободное время:

· 1) спорт □ 3) игра

· 2) хобби □ 4) просмотр телепередач

А10. Обязательным в нашей стране является:

□ 1)начальное образование

□ 2) общее школьное образование

□ 3) среднее профессиональное образование

□ 4) высшее профессиональное образование

А11. Чему учат в школе:

а) ставить опыты, наблюдать происходящие процессы;

б) уважать людей, честности, доброте?

□ 1) верно только a □ 3) верны оба суждения □ 2) верно только б □ 4) оба суждения неверны

А12. Верно ли, что:

а) груд может приносить человеку материальное и духовное удовлетворение;

б) труд может быть бесцельным?

· 1) верно только а □ 3) верны оба суждения

· 2) верно только б □ 4) оба суждения неверны

А13. Предприниматель, занимающийся благотворительностью:

· 1) капиталист □ 3) мизантроп

· 2) торговец □ 4) меценат

AI4. Создание человеком чего-то нового, ценного для всех:

· 1) творчество □ 3) учеба

· 2) труд □ 4) общение

А15. Слагаемыми жизненного успеха являются:

а) здоровье и способности человека;

б) готовность к умственному труду.□ 1) верно только а

□ 2) верно только б

□ 3) верны оба суждения

□ 4) оба суждения неверны

А16. Субъектом Российской Федерации является:

□ 1) штат

□ 2) федеральная земля

□ 3) автономная область

□ 4) департамент

В1. Все термины, приведенные ниже, за исключением одного, связаны с понятием «сознание». Укажите термин, не связанный с этим понятием.

1. Эмоция 4. Рассуждение

2. Разум 5. Интеллект

3. Мышление

В2. Найдите в приведенном списке обязанности гражданина.

1.Платить налоги

1. Защищать Родину

2. Посещать театры и музеи

3. Участвовать в митингах и демонстрациях

4.Беречь природу

5.Заниматься благотворительностью

ВЗ. Установите соответствие между понятиями и их определениями.

1. Кодекс 2.Конституция 3.Мораль A. Совокупность особых, духовных правил, регулирующих поведение человека, его отношение к другим людям, к самому себе, а также к окружающей среде. Б. Основной закон государства. B. Систематизированный сборник законоположений в какой-либо области права.