Предмет: Другие предметы,
автор: alexivvv00
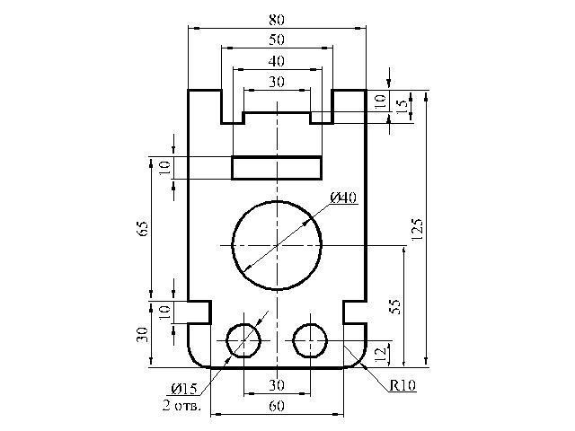
черчение. помогите поставить размеры по госту
Приложения:
Ответы
Автор ответа:
1
+++++++++++++++++++++++++++++++
Приложения:
gi3mo:
У Пластины забыли указать радиус скругления нижнего левого угла.
спасибо
У детали есть ось симметрии и указывать этот радиус не нужно.
Похожие вопросы
Предмет: Русский язык,
автор: Merguy
Предмет: Другие предметы,
автор: ЯрикГрэйт
Предмет: Русский язык,
автор: 87787032209
Предмет: Қазақ тiлi,
автор: amir41220498
Предмет: Английский язык,
автор: Аноним