Предмет: Физика,
автор: kristal00119
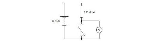
На рисунке показаны резистор 1,2 кОм и терморезистор, подключенные последовательно к батарее 6,0 В.
а)При определенной температуре сопротивление термистора составляет 2,4 кОм. Рассчитать показания вольтметра,
Приложения:
Ответы
Автор ответа:
1
При последовательном подключении сила тока равна на каждом участке цепи. Однако чтоб найти силу тока нужно найти общее сопротивление, которое находится суммой сопротивлений проводников при последовательном подключении
I=U/R=U/(R₁+R₂)=6 В÷(1,2 кОм+2,4 кОм)=6 В÷3600 Ом≈1,7 мА
I=I₁=I₂=1,7 мА
U₂=I₂R₂=1.7 мА×2,4 кОм=1,7×10⁻³ А×2,4 ×10³ Ом=4,08 В≈4,1 В
Похожие вопросы
Предмет: Беларуская мова,
автор: arnfsd
Предмет: Беларуская мова,
автор: dashakotik2000
Предмет: Русский язык,
автор: эльнара19
Предмет: Русский язык,
автор: timonina12345
Предмет: Химия,
автор: kaplun08