Предмет: Другие предметы,
автор: elina1974
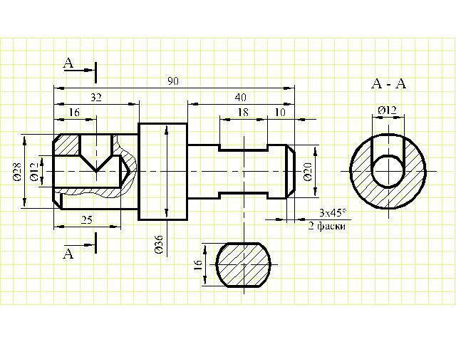
Накресліть або перенесіть на прозорий папір головні вигляди предметів і побудуйте винесені перерізи (рис. 148) (б) ПОМОГИТЕ ПОЖАЛУЙСТА! (если не знаете не нужно ничего писать пожалуйста!)
Приложения:
Ответы
Автор ответа:
1
Ответ:
Объяснение:
На виде спереди сделала местный разрез, чтобы показать длину глухого отверстия (25 мм), т.к. по невидимым (штриховым) линиям размеры не указывают.
Приложения:
elina1974:
большое спасибо, оценка 12
Удачи Вам! Только оценка 12 - это хорошо? Если хорошо, то я за Вас очень рада.
Да, у нас 12-ти бальная система. Ищё раз спасибо)
От души рада за Вас.
Похожие вопросы
Предмет: Английский язык,
автор: данил491
Предмет: Окружающий мир,
автор: Аноним
Предмет: Английский язык,
автор: чонадо
Предмет: Литература,
автор: milana36635
Предмет: Литература,
автор: Arinka909