Предмет: Физика, автор: tvoykloun

цепи 10-11 класс физика
даю 50 баллов​

Приложения:

Ответы

Автор ответа: Yesgirl
1

Ответ:

Uав=76.25В,  Iав=8.75А,   Rав=8.714 Ом

Объяснение:

Тут R4 и R5 не участвуют.

Rэ=R1+R2,3+R6=8.714 Om,  где R2,3=1.714 Om, эти сопротивления включены последовательно.  Имея напр. U2.3 найдём ток в цепи

Iав=I1=I6=U2,3/R2,3=15/1.714=8.75 A,

Uав=U1+U2,3+U6= 76.25В,   где  U1=I1*R1=26.25В,

U6=I6*R6=35В

Автор ответа: boberon
2

Дано:

R₁ = R₃ = R₅ = 3 Ом

R₂ = R₄ = R₆ = 4 Ом

U₃ = 15 В

Найти: Uab, Iab, Rab

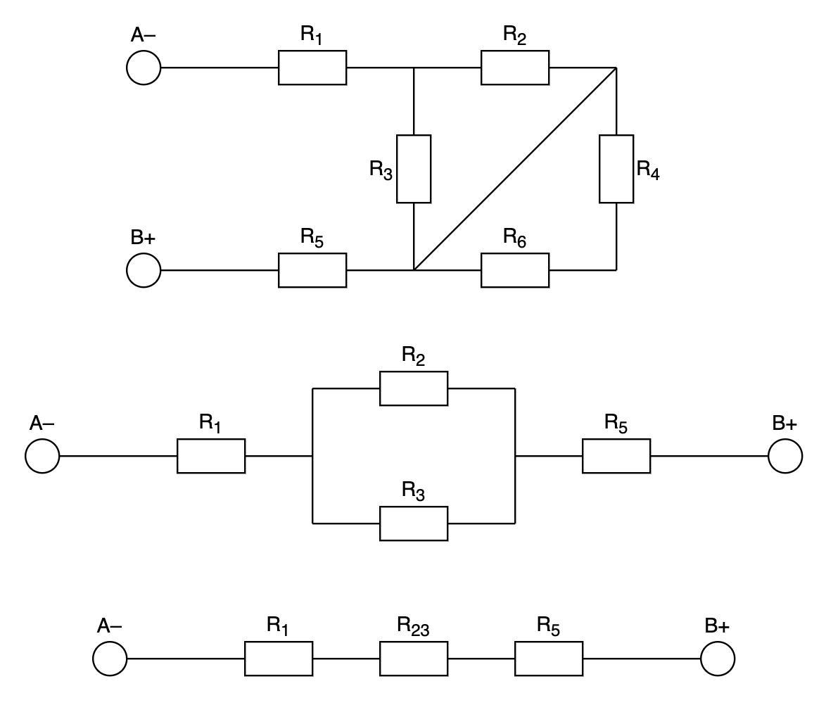
Сначала разберемся со схемой. Сопротивления R₄ и R₅ можно выкинуть, они накоротко соединены диагональным проводником на схеме, у которого сопротивление равно нулю (см. рисунок). Сопротивления R₂ и R₃ соединены параллельно, поэтому их можно заменить на эквивалентное сопротивление R₂₃ (снова см. рисунок).

При параллельном соединении складываются проводимости, т.е. 1/R₂₃ = 1/R₂ + 1/R₃, поэтому:

R₂₃ = R₂·R₃ / (R₂ + R₃) = 3·4 / (3 + 4) = 12/7 Ом.

Напряжение на сопротивлениях R₂ и R₃ одинаковое, т.е. U₂ = U₃ = U₂₃. Отсюда можно найти ток через сопротивление R₂₃:

I₂₃ = U₂₃ / R₂₃ = U₃ / R₂₃ = 15 / (12/7) = 8,75 А.

В схеме больше нет ветвлений, следовательно ток через сопротивление R₂₃ по абсолютной величине равен току между A и B. Полюс A отмечен как отрицательный, полюс B как положительный, а ток по соглашению течет от положительного к отрицательному полюсу, поэтому:

Iab = –|I₂₃| = –8,75 А.

Общее сопротивление схемы равно сумме последовательно соединенных сопротивлений R₁, R₂₃ и R₆:

Rab = R₁ + R₂₃ + R₆ = 3 + 12/7 + 4 = 61/7 ≈ 8,71 Ом

Напряжение между полюсами A и B равно произведению силы тока на сопротивление:

Uab = Iab · Rab = –8,75 * 61/7 = –76,25 В

Ответ: Uab = –76,25 В, Iab = –8,75 А, Rab ≈ 8,71 Ом.

Приложения:

tvoykloun: спасибо большое
Yesgirl: F vbyec pfxtv&
Yesgirl: А минус зачем?
boberon: Полюс A отмечен как отрицательный, полюс B как положительный, а ток по соглашению течет от положительного к отрицательному полюсу.
Похожие вопросы
Предмет: Окружающий мир, автор: кирилл060
Предмет: Қазақ тiлi, автор: GulnurTalgat
Предмет: Русский язык, автор: Yashakoniy