Предмет: Физика, автор: roma96460

Помогите с физикой!!!
Подключение резисторов!!!​

Приложения:

Ответы

Автор ответа: mishsvyat
1

Ответ:

200 Ом

Объяснение:

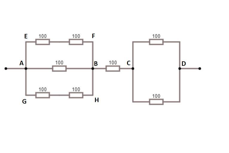
Сопротивление всей цепи резисторов равно сумме сопротивлений участок AB, BC и CD.

Первый участок состоит из 3 параллельно соединенных ветвей. Верхняя и нижняя ветви являются последовательными соединениями 2 резисторов. Центральная ветвь состоит из одного резистора R.

R_{EF}=R+R=2R\\\R_{GH}=R+R=2R\\\\\frac{1}{R_{AB}} =\frac{1}{R_{EF}} +\frac{1}{R} +\frac{1}{R_{GH}}= \frac{1}{2R} +\frac{1}{R} +\frac{1}{2R}= \frac{2}{R}\\\\ R_{AB}=\frac{R}{2}

Второй участок состоит из одного резистора R.

R_{BC}=R

Третий участок состоит из 2 параллельно соединенных ветвей.

\frac{1}{R_{CD}} =\frac{1}{R} +\frac{1}{R} =\frac{2}{R}\\\\R_{CD}=\frac{R}{2}

Тогда общее сопротивление равно сумме сопротивлений найденных участков.

R_X=R_{AB}+R_{BC}+R_{CD}=\frac{R}{2} +R+\frac{R}{2}=2R

Численное значение общего сопротивления равно

R_X=2\cdot100=200\, \Omega

Приложения:

roma96460: Спасибо, выручил!
Похожие вопросы
Предмет: Английский язык, автор: pin4uckova