Предмет: Другие предметы,
автор: elizavetatan
ЧЕРЧЕНИЕ 8 КЛАСС.85 БАЛЛОВ.
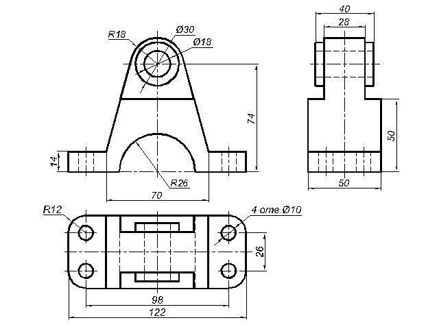
Нужны проекции и изометрия с вырезом 1/4. Также особенно интересует обозначение выноски на 1 фото(выделила).
Приложения:
Ответы
Автор ответа:
2
Ответ:
Объяснение:
Выделенное красным цветом в Вашем задании - неполный вид сверху. Сейчас я начертила вид сверху полностью и на втором чертеже выделила этот момент красным цветом.
Приложения:
Похожие вопросы
Предмет: Русский язык,
автор: l0lSashaNessa
Предмет: Русский язык,
автор: nikitosgold
Предмет: Русский язык,
автор: Feyaone
Предмет: Английский язык,
автор: люлю22
Предмет: Математика,
автор: Ильхамчувачок