Предмет: Физика, автор: aigulalieva45

помогите пожалуйста 20балллов пж пж помогииите​

Приложения:

Ответы

Автор ответа: Пришелец13
2

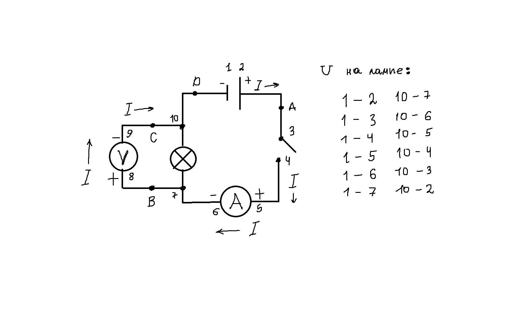
1. Смотри на рисунке.

2. Смотри на рисунке.

3. Вольтметр: между значением 50 и 0 находится 10 промежутков между штрихами. Значит 50/10 = 5 В - цена деления. Амперметр: между значением 0,2 и 0 находится 4 промежутка между штрихами. Значит 0,2/4 = 0,05 А = 50 мА - цена деления.

4. U = 120 В, I = 0,5 A => R(лампы) = U/I = 120/0,5 = 240 Ом

5. Смотри на рисунке.

6. Смотри на рисунке.

7. Смотри на рисунке.

8. Фактическая мощность лампы равна:

P = UI = 120*0,5 = 60 Вт

9. Фактическая мощность не совпадает с номинальной, потому что, во-первых, значение напряжения недостаточное (120 В, а на лампе написано 220 В). Во-вторых, сопротивление малое. Ведь при нагревании нити сопротивление лампы становится больше, а больше оно становится из-за увеличения силы тока. А сила тока становится больше из-за увеличения напряжения.

Получается, что при возрастании напряжения сила тока сначала становится больше, из-за чего происходит нагрев нити лампы. А от нагрева сопротивление нити увеличивается, из-за чего уменьшается сила тока. Она будет примерно такой же по значению, что показывает амперметр на рисунке. Проверим через номинальную мощность: P = UI => I = P/U = 100/220 = 0,454545... = 0,5 А.

Приложения:

aigulalieva45: господииииииии спасибо огггроооомммнооооееее
aigulalieva45: ты самый лучший или лучшая не суть спасибо тебе
Похожие вопросы
Предмет: Математика, автор: SumireKeisArt