Предмет: Другие предметы,
автор: me0wjslsl
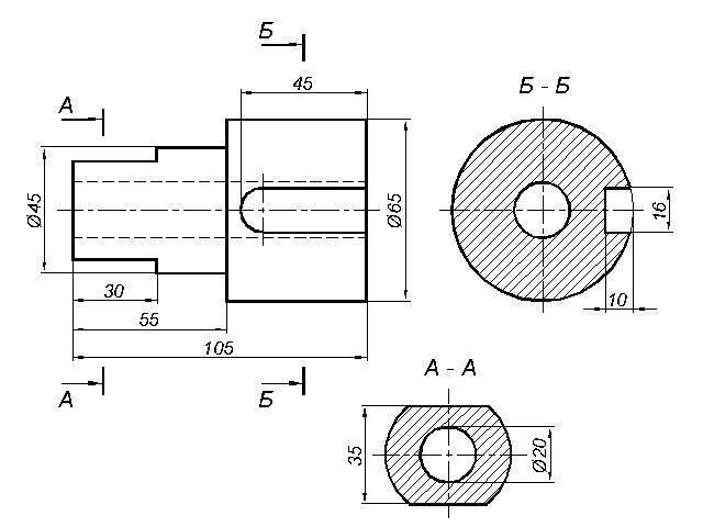
2. Перечертите главный вид детали (рис 2) и выполните вынесенные сечения.
Приложения:
Ответы
Автор ответа:
1
Ответ:
Объяснение:
+++++++++++++++++++++
Приложения:
Похожие вопросы
Предмет: Химия,
автор: Аноним
Предмет: Алгебра,
автор: maxnatkaloxmatka
Предмет: Русский язык,
автор: ruslanzaripov201
Предмет: Алгебра,
автор: helphelphelpmeee
Предмет: Математика,
автор: Аноним