Предмет: Другие предметы,
автор: bbbb31
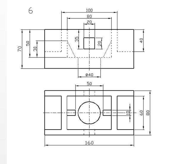
разрезы простые.
1. Построить вид слева;
2. Выполнить фронтальный и профильный
разрезы детали, совместив половину вида с
половиной разреза;
3. Проставить размеры.
Приложения:
Ответы
Автор ответа:
1
Ответ:
Объяснение:
+++++++++++++++++++
Приложения:
Похожие вопросы
Предмет: Математика,
автор: AntonKozin
Предмет: Математика,
автор: 1357919
Предмет: Алгебра,
автор: Liza4ka1
Предмет: Математика,
автор: gauhardarhan
Предмет: Химия,
автор: Lera2003bso