Предмет: Другие предметы,
автор: worloftanks3
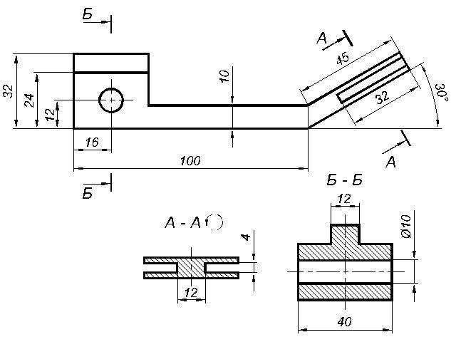
Черчение. Сделать сечение
Приложения:
Ответы
Автор ответа:
0
Ответ:
Объяснение:
++++++++++++++++++
Приложения:
worloftanks3:
Спасибо, можете посмотреть еще одно задание на моей страничке
Похожие вопросы
Предмет: Литература,
автор: Jurgal
Предмет: История,
автор: kritskiy1965
Предмет: Русский язык,
автор: смайлик231
Предмет: Алгебра,
автор: vladislawsukha
Предмет: Геометрия,
автор: zauresh812