Предмет: Другие предметы,
автор: gmambetova81
ЧЕРЧЕНИЕ, ЧЕРЧЕНИЕ, ЧЕРЧЕНИЕ помогите пожалуйста дам 80 баллов
Приложения:
Ответы
Автор ответа:
3
Ответ:
Объяснение:
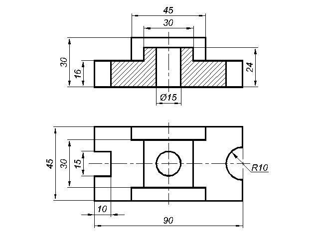
На втором чертеже указала размеры, по которым начертила данную деталь.
Обозначать разрез не нужно.
Приложения:
gmambetova81:
спасибо
Удачи!
Похожие вопросы
Предмет: Алгебра,
автор: galitsyna11
Предмет: Алгебра,
автор: masha9715
Предмет: Английский язык,
автор: чудесинка
Предмет: География,
автор: ннн224
Предмет: Химия,
автор: vr21