Предмет: Физика, автор: aminachzhan

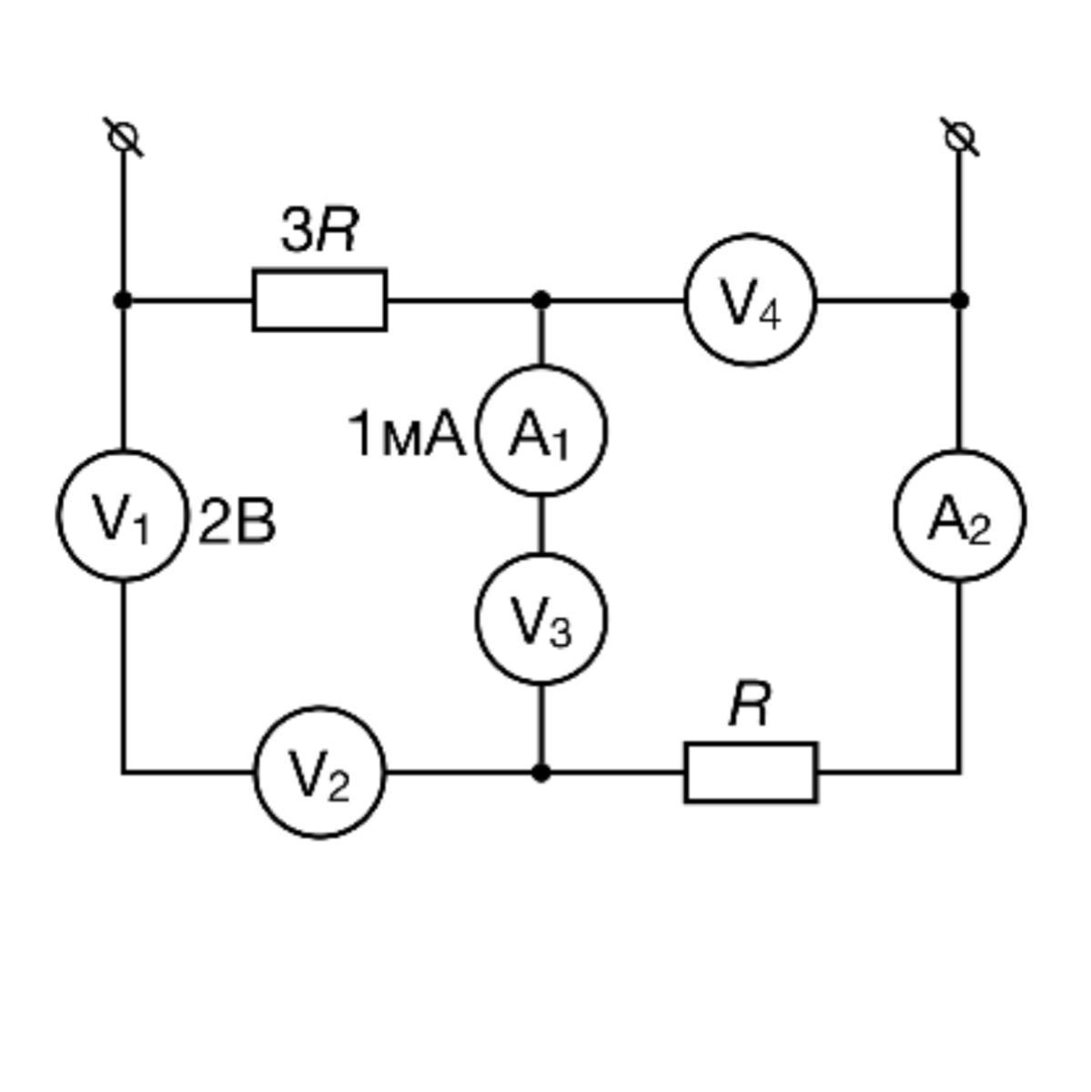
В участке цепи, схема которого показана на рисунке, амперметр A1 показывает ток 1мА, а вольтметр V1 – напряжение 2В. Сопротивление резисторов много больше сопротивления одинаковых амперметров, но много меньше сопротивления одинаковых вольтметров. Найдите показания вольтметров. Порядок ввода следующий: U2 ; U3 ; U4. Напряжение выразите в вольтах, округлите до целого числа.

Приложения:

Ответы

Автор ответа: ruslanchik0505
1

Ответ:

U2 = 2 B, U3 = 5B, U4 = 4B

Объяснение:

1. Т. к в условии сказано, что сопротивления вольтметров гораздо больше сопротивлений резисторов, это значит, что через вольтметры будут идти очень и очень маленькие токи, например как 1 мА, но это не означает что черз них вообще не пойдут токи, т. к сопротивления вольтметров небесконечны.

2. Обозначим ток, идущий через вольтметр 1 как i2, через V2 как i2, через V3 i1, через V4 i3. Тогда напряжение между концами V1 = i1*r(v), и следовательно все эти параметры для V2 будут такими же и значит U2 = U1 = 2B

3. Посчитаем напряжение между концами вольтметра 3. И да я пренебрегаю сопротивлениями амперметров потому что они да крайне малы и не влияют на показания в электической цепи.

2U2 - U3 = 3r(i1 + i3)

Между концами вольтметра 4:

U4 - U3 = r(i1 + i2)

Внимание! я обозначил ток идущий через вольтметр 3 как i1 и сказал что пусть он идет вниз, в процессе решения задачи может оказаться что это ни так, тогда нужно просто поменять направление силы тока.

Сложим эти уравнения:

2U2 - U4 = r(3i3 + 2i1 - i2)

Воспользуемся законом ома для этих токов, выразим ток через напряжения и сопротивления:

2U2 - U4 = r/r(v)*(3U4 + 2U3 - U2)

Самое время вспомнить условие задачи, по условию написано, что r>>r(v), тогда это отношение будет равно 0, получаем:

2U2 - U4 = 0

U4 = 2U2 = 4В

4. Запишем разность потенциалов между клеммами цепи:

4В + (i1 + i2)r = 3r(i1 + i2) + 4В

Я записал разность потенциалов по верхней и нижней ветке электической цепи:

2i1 = i2 - 3i3

i1 = (i2 - 3i3)/2

Домножим на r(v):

U3 = (2В - 12В)/2 = -5 В, отрицательное значение означает что не туда течет ток, оказывается ток течет вверх.


aminachzhan: Неправильно
ruslanchik0505: ;fkm
ruslanchik0505: жаль
ruslanchik0505: а какой правильный
ruslanchik0505: /?
Автор ответа: mic61
11

Ответ:

Объяснение:

Хорошая задачка, мозги прочищает )).

Самое простое и очевидное - показания вольтметра V₂. Два одинаковых вольтметра, включенные последовательно - это классический вариант, когда измеряемое напряжение больше, чем предел измерения вольтметра. Естественно, т.к. вольтметры одинаковые, то и напряжеие разделится строго пополам.

Итак U₂=U₁=2 В.

Далее было непонятно, как решать. Потом обратил внимание на то, что в условии сказано: внутреннее сопротивление вольтметра много больше резисторов R (ну и само-собой больше внутреннего сопротивления амперметров).

Т.о. на токи, которые протекают через вольтметры (и формируют их показания) оказывают влияние в огромной степени сопротивление вольтметра, и незначительно - сопротивление резисторов, и совсем незаметно сопротивления амперметров.С практической точки зрения так оно и есть: если вольтметр "хороший" , т.е. высокоомный, то при измерениях напряжения в заданной схеме не имеет особого значения есть там в ветвях амперметры и резисторы, или нет. Вот и перерисуем схему так, как будто резисторов и амперметров там нет (т.е. зашунтируем их перемычками с нулевым сопротивлением) см. левый рисунок. Тогда можно увидеть, что вол.тметры V₃ и V₄ включены одинаково - параллельно источнику питания. А напряжение источника питания мы уже измерили вольтметрами V₁ + V₂ (см. правый рисунок).

Вот и все:

U₃=U₄=U₁+U₂;

U₃=U₄=4 В.

А показания амперметра зачем? А чтобы запутать "решающего"

А как же быть с точностью решения задачи? Это же теория, а не практика?

Если бы решали задачу, используя правила Кирхгофа, мы (решив систему уравнеий, и проведя остальные правильные манипуляции) получили бы значения напряжений меньше, чем полченные благодаря нашим рассуждениям. Менше потому, что ток через вольт метры протекают меньшие, т.к. сопротивления вевей чуть больше.

Но! По условию сказан: "Найдите показания вольтметров. ... Напряжение выразите в вольтах, округлите до целого числа." Вот мы сразу и округлили до целого ))! Все абсолютно честно.

Приложения:

aminachzhan: Спасибо большое, все верно ❤️❤️❤️
aminachzhan: Можно ещё одну задачку?
aminachzhan: Двадцать одинаковых резисторов соединены последовательно, получившаяся цепочка подключена к идеальной батарейке с напряжением 5,5В. Вольтметр подключают параллельно десяти резисторам, он показывает 2,2В. Какое напряжение покажет вольтметр, если его подключить параллельно одному резистору? Ответ выразите в вольтах, округлите до сотых и введите в первое поле.

Какое напряжение покажет вольтметр, если подключить его параллельно 19 резисторам?
mic61: Уже решена: https://znanija.com/task/37795503
Похожие вопросы
Предмет: Русский язык, автор: lesha113