Предмет: Физика,
автор: dnik30n
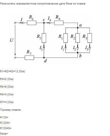
срочно нужно решить спасибо за рание
Приложения:
dimauchenik654454:
Сейчас попробую решить.
Да
Ответы
Автор ответа:
0
Ответ:
10 Ом.
Объяснение:
На картинке.
Приложения:
Упс
Спсибо, что заметили
Невнимательность довольно страшная штука :)
Похожие вопросы
Предмет: Русский язык,
автор: markusen
Предмет: Русский язык,
автор: vashka200230011998
Предмет: Русский язык,
автор: юсяяяя
Предмет: Математика,
автор: Аноним
Предмет: История,
автор: якарь272829