Предмет: Физика,
автор: kirilldovgaluk633
5.
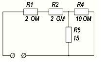
Для данной схемы найти:
Общее сопротивление цепи RЭкв.
Ток І проходящий через сопротивление.
Мощность Р на каждом сопротивлении.
При напряжении питания U=40 В
R1 - 2 Ом , R2 - 2 Ом , R4 - 10 Ом , R5 15
Приложения:
Ответы
Автор ответа:
0
Ответ:
1) R общее= R1 + R2 + (1/R4 + 1/R5)^(-1) = 2 + 2 + (1/10 + 1/15)^(-1) = 10 Ом
2) Сила тока общая I= E/(R общее) = U/(R общее) = 40/10 = 4 А
3) Мощность P1 на R1: P1= I^2*R1 = 4^2 * 2 = 32 Вт
Мощность P2 на R2: P2= I^2*R2 = 4^2 * 2 = 32 Вт
Найдём напряжение между R4 и R5:
На R1 и R2 одинаковые напряжения (так как это параллельное соединение резисторов) и они равны 4*2= 8 В, тогда напряжение U45 между R4 и R5 равно U45= U - 2*8 = 40-16 = 24 В
Через резистор R4 проходит ток I4= U45/R4 = 24/10 = 2,4 А, тогда мощность на этом резисторе P4= (I4)^2 * R4 = (2,4)^2 * 10 = 57,6 Вт
А через резистор R5 проходит ток I5= U45/R5 = 24/15 = 1,6 A, тогда мощность P5= (I5)^2 * R5 = (1,6)^2 * 15 = 38,4 Вт
Похожие вопросы
Предмет: Русский язык,
автор: Тат999
Предмет: Русский язык,
автор: crezu13
Предмет: Русский язык,
автор: SSV222
Предмет: Химия,
автор: daniel62
Предмет: Геометрия,
автор: petrovetsalina1