Предмет: Физика,
автор: daniiligoshev05
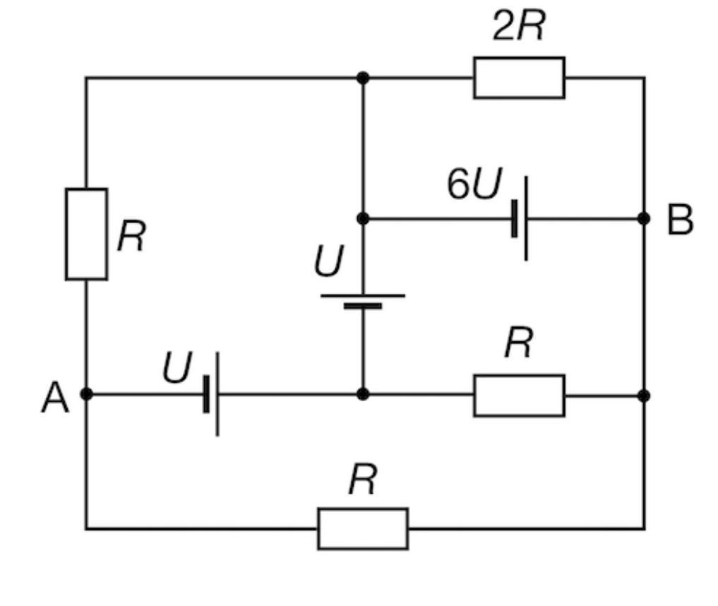
Собрана электрическая цепь, схема которой показана на рисунке. Батарейки идеальные, напряжение U=9U=9 В. Чему равно напряжение на резисторе 2R? Ответ выразите в вольтах, округлите до целого числа.
Приложения:
Ответы
Автор ответа:
12
Ответ::
54
Объяснение:
stalker17shram:
В условиях предыдущей задачи найдите разность потенциалов φA−φB между точками A и B. Ответ выразите в вольтах, округлите до целого числа.Можешь помочь?
-2.8
Похожие вопросы
Предмет: Русский язык,
автор: Liza1960
Предмет: Русский язык,
автор: dianaimaeva
Предмет: Українська мова,
автор: ramazanova80
Предмет: Литература,
автор: катя4308
Предмет: Геометрия,
автор: kirillkirsin