Предмет: Другие предметы,
автор: wdfnadnamawdwamaw
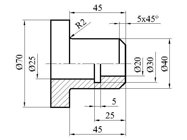
Помогите. Черчение 9 класс Ботвинников. рисунок 195.
Вычертите в одном из примеров на рисунке 195 половину вида в соединении с половиной разреза. Нанесите размеры, определите их по клеткам. Все детали цилиндрические.
Приложения:
Ответы
Автор ответа:
145
Ответ:
Объяснение:
++++++++++++++++++++
Приложения:
Похожие вопросы
Предмет: Русский язык,
автор: Lenafilim
Предмет: Русский язык,
автор: ноууз
Предмет: Қазақ тiлi,
автор: ДинаркаМ
Предмет: Математика,
автор: ксюша1280
Предмет: Математика,
автор: Вампир205