Предмет: Другие предметы,
автор: YosiTyan
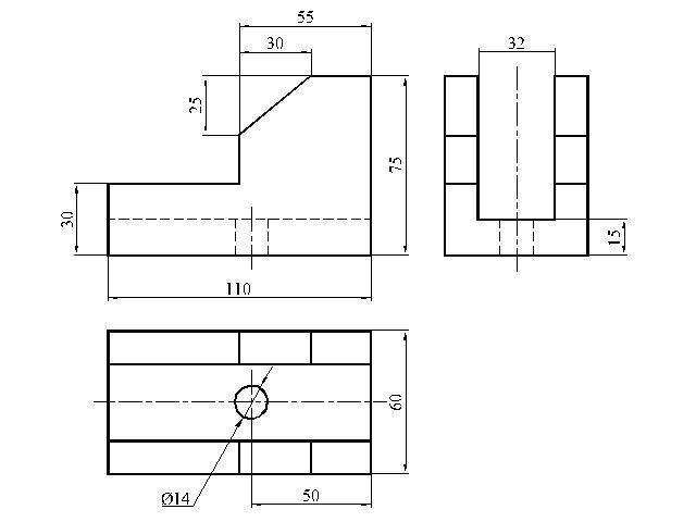
По заданным видам постройте третий вид детали в масштабе 1:1. Выделите цветными карандашами проекции грани К. Найдите на всех видах проекции ребра AB и вершины C
Приложения:
Ответы
Автор ответа:
8
Ответ:
Объяснение:
+++++++++++++++
Приложения:
Похожие вопросы
Предмет: Русский язык,
автор: irina1975k
Предмет: Українська мова,
автор: Dimoshka99
Предмет: Русский язык,
автор: hedgehog15
Предмет: Химия,
автор: Аноним
Предмет: Математика,
автор: MerFruTTo