Предмет: Другие предметы,
автор: alwayas228
Черчение. Помогите
Приложения:
Ответы
Автор ответа:
0
Ответ:
Объяснение:
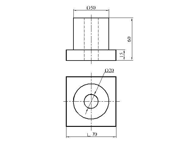
Т.к. в задании не видно данных об отверстии, я начертила сквозное отверстие диаметром 20 мм
Приложения:
Похожие вопросы
Предмет: Русский язык,
автор: masianik99
Предмет: Українська мова,
автор: Mjlz
Предмет: Русский язык,
автор: alena71771
Предмет: Математика,
автор: panda196
Предмет: Математика,
автор: баги9