Предмет: Другие предметы,
автор: Begimot192849
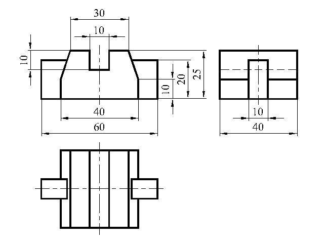
Помогите начертить детали. Главный вид, вид сверху и вид слева
Приложения:
Begimot192849:
Хееееелп
Ответы
Автор ответа:
3
Ответ:
Объяснение:
++++++++++++++++++++++
Приложения:
Похожие вопросы
Предмет: Алгебра,
автор: snizhanaashyhin2006
Предмет: Українська література,
автор: novikova24032011
Предмет: Литература,
автор: xyinegroy
Предмет: Литература,
автор: Кекшошлол90
Предмет: Математика,
автор: alisa6060