Предмет: Другие предметы,
автор: Аноним
Помогите
Черчение
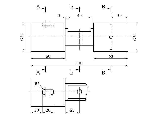
Деталь "ось"образована сочетанием 3х расположенных цилиндров, из которых два крайних имеют диаметр= 50мм, длина=60 мм, а средний (меньший) диаметром 30мм, длинной=50мм. В первом цилиндре, в верхней его части находится шпоночный паз (h=5мм, l=20мм, радиус скругления=5мм). В середине цилиндрической поверхности второго цилиндра - коническая зачверловка (4отверстия диаметром 5, l=5мм). В центре меньшего цилиндра, в верхней его части находится лыска (h 5мм от верхнего края, длиной 40мм) в центре которого сквозное цилиндрическое отверстие (диаметром 8мм)
Ответы
Автор ответа:
1
Ответ:
Объяснение:
++++++++++++++++++++++++
Приложения:
Похожие вопросы
Предмет: Алгебра,
автор: spamgg002
Предмет: Математика,
автор: kristinabojcova93
Предмет: Математика,
автор: dashasuvorova2010
Предмет: Математика,
автор: kusegenovagulzhan