Предмет: Другие предметы,
автор: kristinakuzmenok09
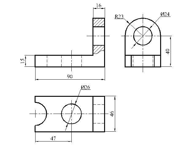
Помогите пожалуйста начертить черчение. Нужно выделеную карандашом часть детали начертить в разрезе.
Приложения:
Ответы
Автор ответа:
1
Ответ:
Объяснение:
+++++++++++++++++++++++++++++++++++++
Приложения:
Похожие вопросы
Предмет: Математика,
автор: sg0156146
Предмет: Алгебра,
автор: 2912nesksi
Предмет: Физика,
автор: sigoka5298
Предмет: Математика,
автор: Shayty126