Предмет: Математика, автор: farmerkart

плачу 40 БАЛОВ! ну вот тип домашка

Приложения:

Ответы

Автор ответа: miki68
1

Ответ:

Пошаговое объяснение:

3

-----------------

0,061

-----------------------

30:3/10=100

-------------

6 1/2:1/2=13

--------------------

272:17=16

-----------------------

90+50=140 км/ч скорость сближения

560:140=4 ч время через которое они встретились

50*4=200 км проехал один

90*4=360 км проехал другой

360-200=160 км проехал больше один другого

-------------------------------------------

250:12=20 пачек и 10 ручек

округляем до целой пачки это 21 пачка

21*12=252 ручки было куплено

--------------------------

=316219-(630+138)=316219-768=315451

-----------------------------

800*1/2=400 руб для школьника

800*1/4=200 руб для дошкольника

2*800+2*400+200=2600 руб заплатит семья

-------------------------------

сентябрь

-----------------------

2*7=14 дней в 2-х неделях

26 руб в день

14*26=364 руб за 2 недели

---------------------

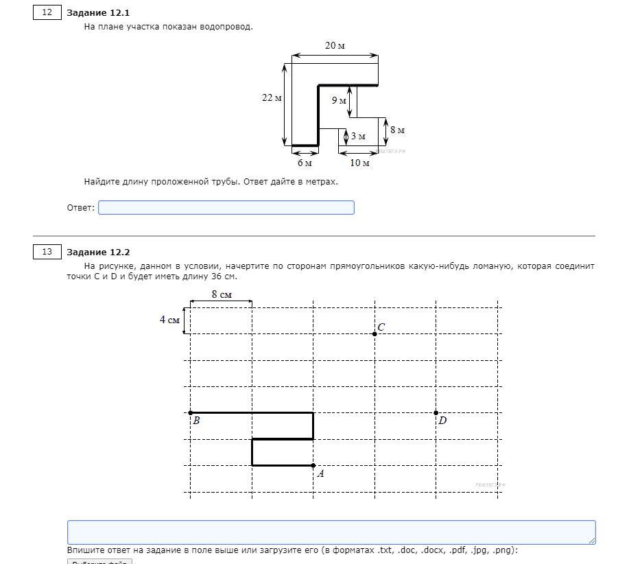
6+8+9+20-6=37 м

---------------------

от С вправо до пересечения, затем вниз до пересечения, влево, вниз, вправо и вниз к точке Д    3*(8+4)=36 см

С______

  ______I

  I______

                IД

------------------------------

8 по 3 грани

24 по 2 грани

24+8=32 грани

---------------------

да сможет, так как

20:5 и 15 делится на 5

Похожие вопросы
Предмет: Информатика, автор: pisarevsasha
Искусственный интеллект 11 класс ЕМН ОТВЕТЫ
Напишите название классификации интеллектуальной системы:
Варианты ответов
-это система на естественном языке
-это экспериментальная система реального времени
-это искусственная нейронная сеть
-это система с генетическим алгоритмом

Вопрос 2
Нейронная сеть – это
Варианты ответов
-математическая модель, которая анализирует сложные данные, имитируя человеческий мозг, и имеет аппаратное и программное воплощение
-программа, основанная на принципе работы человеческого мозга, но не являющаяся его аналогом.
-это последовательность нейронов, соединённых между собой синапсами (связями)

Вопрос 3
В чем заключается суть теста Тьюринга?
Варианты ответов
-Если машина сможет убедить человека, что тот общается с живым собеседником, значит машина мыслит
-Если машина не сможет убедить человека, что тот общается с живым собеседником, значит машина мыслит
-Если машина не сможет переиграть человека в шахматы, значит машина мыслит

Вопрос 4
Что такое нейрон в (ИНС)?
Варианты ответов
-это элементарная структурная единица искусственной нейронной сети.
-специальная клетка, одной из ключевых задач которой является передача -электрохимического импульса по всей нейронной сети через доступные связи с другими нейронами
-математическая модель, которая анализирует сложные данные, имитируя человеческий мозг, и имеет аппаратное и программное воплощение

Вопрос 5
Виды нейронных сетей
Варианты ответов
-однослойная сеть прямого распространения, многослойная сеть прямого распространения, рекуррентная
-однослойная, многослойная, двухслойная
-однородная и гибридная
...
Предмет: Алгебра, автор: mobmir291017