Предмет: Другие предметы,
автор: kochurowazhenya
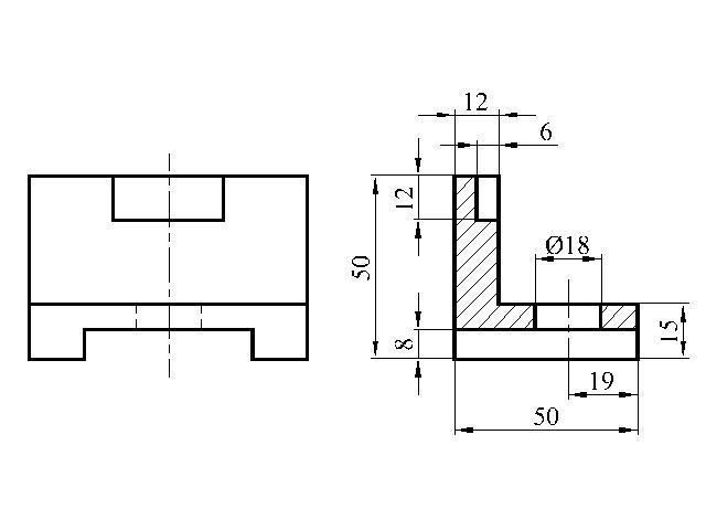
По двум известным параметрам построить третий вид (слева)
Даю 30 баллов! Заранее спасибо
Приложения:
Ответы
Автор ответа:
1
Если изучали тему "разрезы", то второй чертеж выполнен более правильно.
Приложения:
Похожие вопросы
Предмет: Физика,
автор: michaelinef0
Предмет: Математика,
автор: sofiapatika40
Предмет: Английский язык,
автор: sofiyaleonova32
Предмет: Математика,
автор: lika240
Предмет: Математика,
автор: танюшанастюша123