Предмет: Информатика,
автор: lilo3642
ИНФОРМАТИКА ЛОГИЧЕСКИЕ ЭЛЕМЕНТЫ
Приложения:
rusww:
нужно символами записать? Или какое-то другое задание?
точнее, уравнение записать? Вопрос какой?
Ответы
Автор ответа:
1
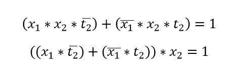
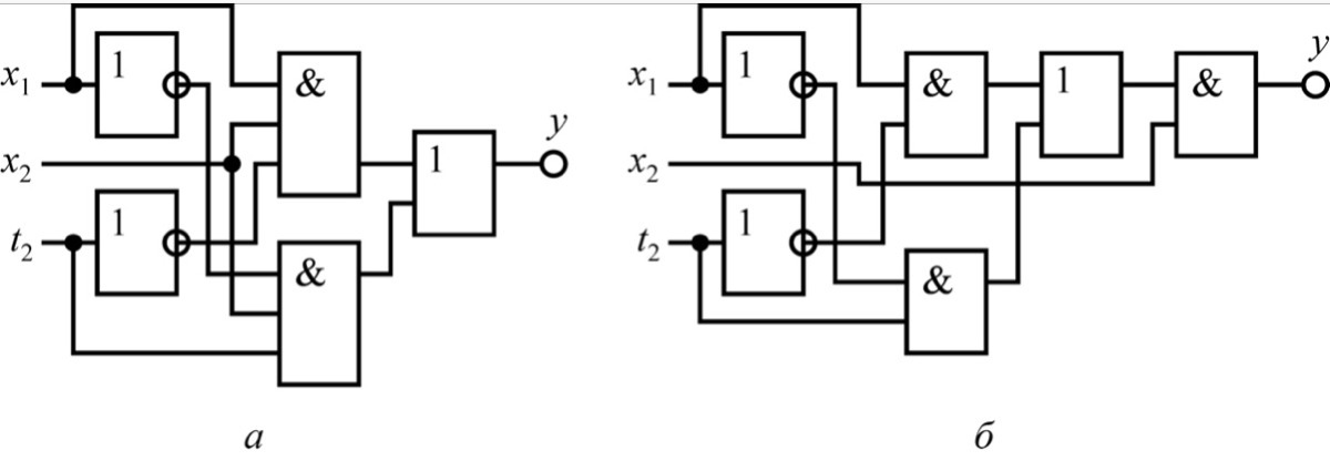
Составленное уравнение:
Приложения:
Похожие вопросы
Предмет: Геометрия,
автор: DenKap
Предмет: Математика,
автор: treskinaarina
Предмет: Биология,
автор: Robloxtw
Предмет: Математика,
автор: kamo210210
Предмет: Алгебра,
автор: mmm44