Предмет: Алгебра,
автор: tuttifruttiiiii
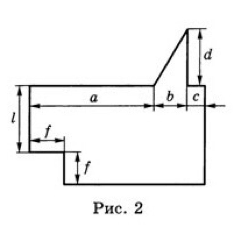
Составьте формулу для вычисления площади фигуры, изображенной на вложении.( оно есть)
Приложения:
Ответы
Автор ответа:
1
(((l+f)*(a+b+c))-f²)+b*d/2
Похожие вопросы
Предмет: Математика,
автор: EGOR9494
Предмет: Українська мова,
автор: krul1266
Предмет: Беларуская мова,
автор: taSamayaDASHA5106
Предмет: Литература,
автор: gluschi3717
Предмет: Алгебра,
автор: alinatk2015