Предмет: Другие предметы,
автор: keklol44
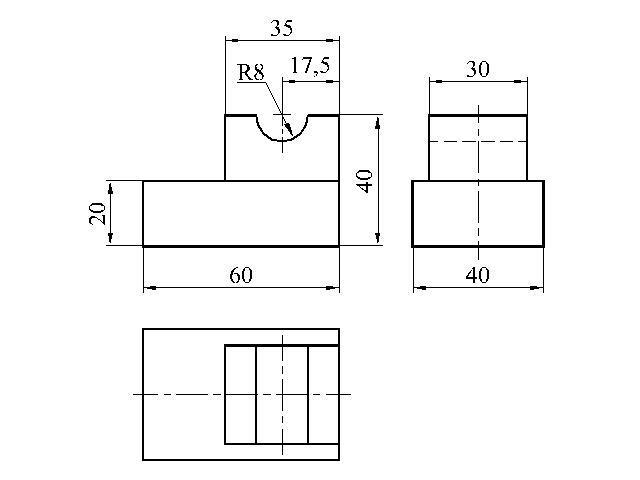
161 под а построить 3 вида нанести размеры
Приложения:
Ответы
Автор ответа:
5
Вид сверху можно не чертить
Приложения:
yggffffgg:
помоги по черчению
Букса
Черчение 9 класс прошу помочь.Даю 29 баллов.Задание во вложении.
https://znanija.com/task/29995981?utm_source=android&utm_medium=share&utm_campaign=question
https://znanija.com/task/29995981?utm_source=android&utm_medium=share&utm_campaign=question
В моем профиле посмотри
Помоги сделать
Похожие вопросы
Предмет: Математика,
автор: gavrilovv676
Предмет: Русский язык,
автор: dar027
Предмет: Литература,
автор: solodilov44
Предмет: История,
автор: вик130
Предмет: Биология,
автор: aleynikovdanil