Предмет: Другие предметы, автор: korolevaaaa

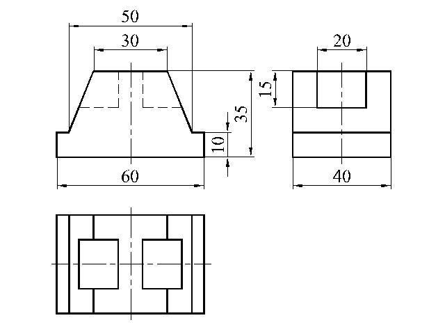
По аксонометрической проекции модели построить в трех проекциях ее чертеж. Ребят, если можно, то желательно файлом автокада скинуть

Приложения:

korolevaaaa: (╯︵╰,)
korolevaaaa: Попытка не пытка, мне они не нужны тоже
korolevaaaa: Я уже, но почему бы не залить сюда, особо не на что не расчитываю
korolevaaaa: Я уже, но почему бы не залить сюда, особо не на что не расчитываю
korolevaaaa: (。・ω・。)
draftsmanship: В какой версии автокада вам нужен чертеж?
korolevaaaa: с 2004 по 2018 подойдет

Ответы

Автор ответа: Букса
7

Сделала в AutoCAD, а как отправить не знаю


Приложения:

korolevaaaa: хоспаде, огромное вам спасибо
korolevaaaa: а можете вк скинуть?
korolevaaaa: htt ps:// vk.co m/ id19 1214374
korolevaaaa: без пробелов только
Букса: меня нет в VK
korolevaaaa: одноклассники?
korolevaaaa: просто на почту можно..простите, что затрудняю
korolevaaaa: mari.kim99@ mail. ru
Похожие вопросы
Предмет: История, автор: oabduqodirgmailcom