Предмет: Другие предметы,
автор: kirill0vo
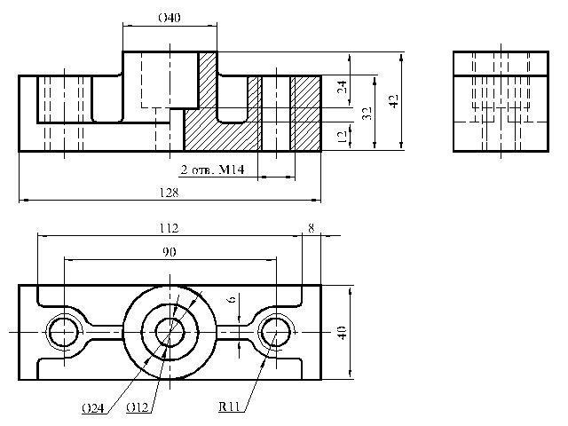
помогите Исправить ошибки на чертеже вариант 20 и построить главный вид по этим разрезам
Приложения:
Ответы
Автор ответа:
2
Главный вид - левая сторона, а правая сторона - фронтальный разрез.
Ребро штриховать не нужно.
На виде сверху добавила отверстие в центре и правильно оформила отверстия под резьбу.
Начертила вид слева, но он не несет никакой информации - не нужен.
Ребро штриховать не нужно.
На виде сверху добавила отверстие в центре и правильно оформила отверстия под резьбу.
Начертила вид слева, но он не несет никакой информации - не нужен.
Приложения:
Похожие вопросы
Предмет: Українська мова,
автор: justkorshykovanasta
Предмет: Математика,
автор: milana89282439032
Предмет: Кыргыз тили,
автор: 0777210708
Предмет: Математика,
автор: ЛёляПоля
Предмет: Математика,
автор: matveenkolilia