Предмет: Физика,
автор: OrionSlava
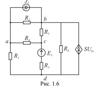
Какое будет уравнение по 1 закону Кирхгофа для узла b?
Приложения:
Ответы
Автор ответа:
1
Рассмотрим узел b.
В этот узел входят или выходят из него 4 тока:
1) Ток источника J₂
2) Ток, протекающий через R₂
3) Ток, протекающий через R₅
4) Ток, протекающий через R₆ и SUbc.
Таким образом, I закон Кирхгофа для узла b:
J₂ + I₂ + I₅ + I₆ = 0
В этот узел входят или выходят из него 4 тока:
1) Ток источника J₂
2) Ток, протекающий через R₂
3) Ток, протекающий через R₅
4) Ток, протекающий через R₆ и SUbc.
Таким образом, I закон Кирхгофа для узла b:
J₂ + I₂ + I₅ + I₆ = 0
Приложения:
OrionSlava:
А для узла d? просто уравнение.
I1+I3-I6=-SR5I5?
У меня сложность с SUbc, он будет участвовать в вычислениях?
направления произвольные
Похожие вопросы
Предмет: Химия,
автор: hilstreeck
Предмет: Математика,
автор: eugeniodepez
Предмет: Английский язык,
автор: enotik200907
Предмет: Литература,
автор: AnIL13187
Предмет: Алгебра,
автор: IWindrangerI