Предмет: Другие предметы, автор: juliadedust

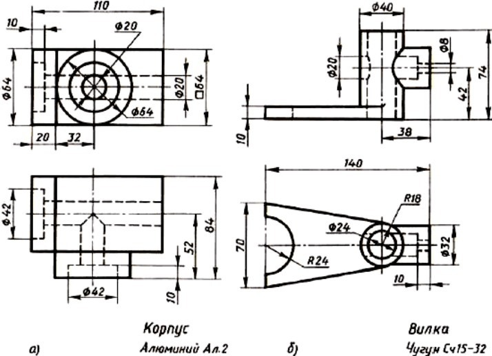
Рисунок под А вид слева

Приложения:

Ответы

Автор ответа: draftsmanship
1
+++++++++++++++++++++++++++++++++++++++

Приложения:
Похожие вопросы
Предмет: Қазақ тiлi, автор: madinasadirhanova1
Предмет: Математика, автор: bibiton92
Предмет: Математика, автор: kruglikovapolina127
Предмет: Алгебра, автор: Alijэлджей
Предмет: География, автор: Acmanel