Предмет: Другие предметы,
автор: пиппа
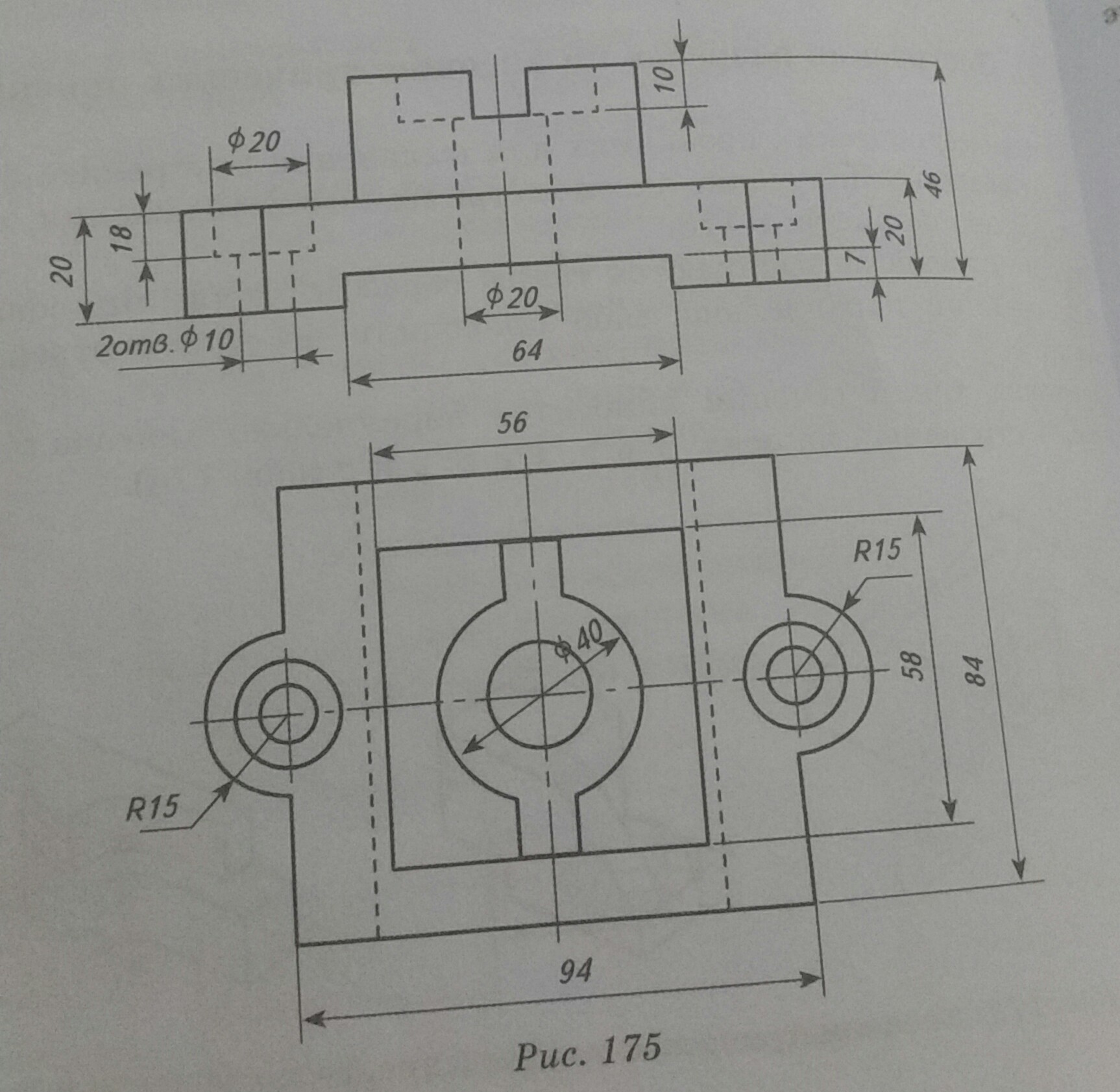
По чертежу выполните соединение вида и разреза
Пожалуйста
Приложения:
Ответы
Автор ответа:
3
++++++++++++++++++++++++++++++++++++++++
Приложения:
Похожие вопросы
Предмет: Английский язык,
автор: Аноним
Предмет: География,
автор: matematik07082004
Предмет: Українська мова,
автор: sashynya50
Предмет: Русский язык,
автор: dementevdimka
Предмет: Алгебра,
автор: ryckovamasa448