Предмет: Физика,
автор: epavlenko
СРОЧНО!!!!!!!!!!!!!!!!!!!!Правила подключения Ваттметра
Ответы
Автор ответа:
1
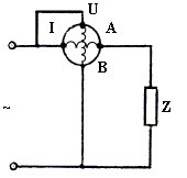
В ваттметре 2 катушки: напряжения и тока. Катуш тока подключается последовательно в цепь, а напряжения параллельно цепи, к полному напряжению.
Приложения:
epavlenko:
Спасибо большое
Пож!
Похожие вопросы
Предмет: География,
автор: yurinaliza2009
Предмет: Алгебра,
автор: vitalijnos153
Предмет: Геометрия,
автор: sofabre12
Предмет: История,
автор: RomaReus
Предмет: Математика,
автор: ops222