Предмет: Черчение,
автор: Тополек13
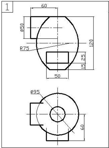
Вычертить фронтальную и горизонтальную проекции заданных поверхностей в соответствии с индивидуальным заданием. Используя проекционные связи, построить
профильную проекцию поверхностей.
Определить характер линий пересечения поверхностей, а также вид каждой проекции линий пересечения, которые требуется построить.
Объясните, пожалуйста, как это построить и что должно получится. Особенно про линию пересечения
Приложения:
Ответы
Автор ответа:
0
линия пересечения должна быть вертикально
Похожие вопросы
Предмет: Английский язык,
автор: margaret1632
Предмет: Другие предметы,
автор: Vika2212a
Предмет: Другие предметы,
автор: elmirakadirova9242
Предмет: Русский язык,
автор: ksushayalta2009
Предмет: Геометрия,
автор: rfitg257