Предмет: Информатика,
автор: program12345
Как не используя транзистор сделать логический элемент И и НЕ?
(управляется наличием напряжения на входе)
Ответы
Автор ответа:
0
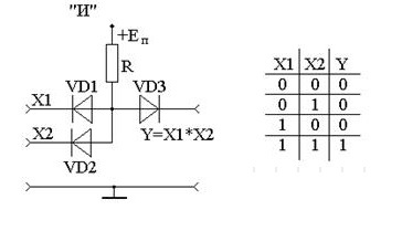
суть в том что X1, X2 это входы
X3-выход
VD1 , VD2 и VD3 подбираются таким образом что если на X1 подается напряжение то ток течет через VD2 а не VD3 наооборот если на Х2 то ток течет через VD1, ну и если подано и на X1 и на Х2 , тоесть логическое И то не течет через VD1 и VD2, так как не создается нужной разницы потенциалов, а течет через VD3
добавил логическое "НЕ " разберешься сам?
X3-выход
VD1 , VD2 и VD3 подбираются таким образом что если на X1 подается напряжение то ток течет через VD2 а не VD3 наооборот если на Х2 то ток течет через VD1, ну и если подано и на X1 и на Х2 , тоесть логическое И то не течет через VD1 и VD2, так как не создается нужной разницы потенциалов, а течет через VD3
добавил логическое "НЕ " разберешься сам?
Приложения:
Автор ответа:
0
(Не очень понятно где у НЕ выход)
Автор ответа:
0
выход это падение напряжения на резисторе
Автор ответа:
0
если на входе будет напряжение через диод пойдет ток, тогда ток от источника питания не пойдет по резистору так как не создаются разница потенциалов, на выходе будет 0, и наоборот если на входе будет 0, то ток от источника питания потечет через резистор, соответственно на выходе будет единица
Автор ответа:
0
То, что написано выше, физически в корне неверно. Диод - это не идеальный проводник, но в прямом включении его внутреннее сопротивление мало. Поэтому в Вашей схеме при подаче в качестве Х положительного напряжения, превышающего 0.6 В для германиевого диода и 1.2 В для кремниевого, через диод пойдет прямой ток, который выведет этот диод из строя.
Автор ответа:
0
,то что написано выше, принцип действия, тоесть суть работы, а не расчет схемы. Понятное дело, что при проектирование схемы, учитываются отдельные характеристики элементов, напряжения и токи, если необходимо ставят резисторы, шунты и т.п.
Похожие вопросы
Предмет: Русский язык,
автор: Аноним
Предмет: Английский язык,
автор: zere21
Предмет: Физика,
автор: fjsbefshb
Предмет: Математика,
автор: slashan